Landzonetilladelse til maskinhus på Hjortebjergvej 14, 5471 Søndersø
Nordfyns Kommune giver hermed lovliggørende tilladelse til en maskinhal og udhus på matr.nr. 4m Hårslev by, Hårslev, beliggende Hjortebjergvej 14, 5471 Søndersø.
Afgørelse
Zonetilladelse
5471 Søndersø
29. april 2025
1. april 2025
Tilladelsen er givet efter Planlovens § 35.
Det er en betingelse for tilladelsen,
-
at der kan meddeles byggetilladelse til det ansøgte byggeri,
-
at det inden der meddeles byggetilladelse dokumenteres, at udhusbygningen er blevet reduceret i størrelse.
Tilladelsen bortfalder, hvis den ikke er udnyttet inden 5 år.
Tilladelsen må ikke udnyttes, før klagefristen er udløbet. En rettidig klage har opsættende virkning, medmindre klagemyndigheden bestemmer andet.
Tilladelsen vedrører kun forholdet til landzonebestemmelserne. Andre nødvendige tilladelser skal søges hos relevante myndigheder.
Byggeriet må ikke påbegyndes, før der er givet byggetilladelse.
Offentliggørelse
Afgørelsen offentliggøres på kommunens hjemmeside www.nordfynskommune.dk den 1/4-2025.
Landzonetilladelsen kan ikke udnyttes før klagefristen er udløbet dvs. d. 29/4-2025.
Ansøgningen
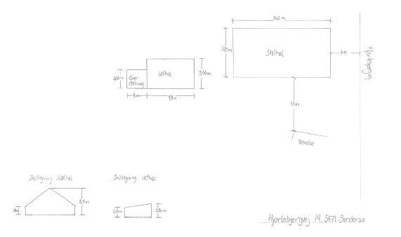
Der er søgt om lovliggørende tilladelse til en ca. 53m2 udhus samt en ca. 200m2 maskinhal på matr.nr. 4m Hårslev by, Hårslev, beliggende Hjortebjergvej 14, 5471 Søndersø.
Den eksisterende bygning søges reduceret i størrelse sådan, at der fremadrettet bliver en ca. 53m2 udhusbygning.
Kommunens landzonetilladelse er nødvendig, fordi ejendommen ligger i landzone.

Ejendommen
Ejendommen ligger i landzone og er en landbrugsejendom på ca. 12000 kvm.
I henhold til kommunens byggesagsarkiv og BBR.registret, er der registreret følgende bygninger på ejendommen:
Bygning 1: Stuehus til landbrugsejendom på 129m2
Bygning 2: Carport på 60m2
Kommuneplan
Ejendommen er ikke omfattet af retningslinier i Nordfyns Kommuneplan 2021-2033.
Øvrige bindinger/udpegninger
Der er ikke øvrige bindinger på ejendommen.
Nordfyns Kommune har ikke besigtiget ejendommen.
I denne sag har Nordfyns Kommune skønnet, at det ansøgte er af underordnet betydning for naboerne idet maskinhallen er afskærmet af eksisterende bygninger mod nabo mod vest. Der er derfor ikke gennemført orientering af naboer om projektet.
Begrundelse for afgørelsen
Nordfyns Kommune har vurderet, at der kan gives landzonetilladelse til det ansøgte. Nedenfor er kommunens samlede vurdering.
Det er Nordfyns Kommunes vurdering, at det ansøgte byggeri er tilpasset landskabet, og at det ikke er i strid med kommuneplanens udpegninger.
Kommunen vurderer, at det ansøgte naturligt vil kunne indpasses i de eksisterende omgivelser, hvorfor der efter planlovens bestemmelser vil kunne gives tilladelse til det ansøgte.
Der er lagt vægt på
-
Størrelsen på den ansøgte bygning vil passe naturligt ind i den nærliggende bebyggelse.
Nordfyns Kommune vurderer, at opførelsen af maskinhallen vil kunne indpasses naturligt i forhold til landskab og øvrige omgivelser. Det vurderes, at det ansøgte vil have en begrænset påvirkning af de landskabelige forhold i området og naturen omkring det ansøgte.
Herudover er der i behandlingen lagt vægt på, at det ansøgte ikke tilsidesætter de hensyn som kommunen skal varetage efter planloven. Herunder de landskabelige hensyn samt hensynet til naboerne.
Natura 2000
Nordfyns Kommune vurderer, at byggearbejdet ikke vil have væsentlig indvirkning på dyre- og planteliv, herunder at der ikke vil ske forringelse eller beskadigelse af yngle-, vokse, eller rasteområder for særligt beskyttede arter jf. habitatsbekendtgørelsen.
Retsregler
Nordfyns Kommune har truffet afgørelse efter planlovens § 35.
Planlov
Planloven, lovbekendtgørelse nr. 1157 af 1. juli 2020, og senere ændringer.
Kommuneplan 2017-29 for Nordfyns Kommune.
Øvrig lovgivning
Der er ikke taget stilling til øvrig lovgivning som f.eks. byggeloven, landbrugslov, skovloven mv.
Klagevejledning
Afgørelsen kan inden 4 uger fra offentliggørelsen påklages af enhver med retlig interesse i afgørelsen samt af landsdækkende foreninger og organisationer, der som hovedformål har at beskytte natur og miljø eller varetager væsentlige brugerinteresser inden for arealanvendelsen.
Hvis klagefristen udløber en lørdag eller en helligdag, forlænges fristen til den følgende hverdag.
Klage til Planklagenævnet indgives ved anvendelse af digital selvbetjening. Du klager via Klageportalen, der findes på Planklagenævnets hjemmeside. Du logger på, ligesom du plejer, typisk med MitID. Klagen sendes gennem Klageportalen til den myndighed, der har truffet afgørelsen. En klage er indgivet, når den er tilgængelig for myndigheden i Klageportalen.
Når du klager, skal du betale et gebyr, som for privatpersoner er på 900 kr. og for virksomheder, foreninger og offentlige myndigheder på 1.800 kr. Betaling af klagegebyr sker ved elektronisk overførsel til Planklagenævnet via Klageportalen.
Planklagenævnet skal som udgangspunkt afvise en klage, som ikke er indgivet ved digital selvbetjening. Nævnet kan undlade at afvise en klage, som ikke er indgivet ved digital selvbetjening, hvis der foreligger særlige forhold, der gør, at klager ikke må forventes at kunne anvende digital selvbetjening.
Hvis du ønsker at blive fritaget for at bruge Klageportalen, skal du sende en begrundet anmodning til Nordfyns Kommune. Kommunen videresender herefter anmodningen til Planklagenævnet, som træffer afgørelse om, hvorvidt din anmodning kan imødekommes.
Afgørelsen kan indbringes for domstolene inden 6 måneder fra offentliggørelsen.
